Фокусная стыковка — это мощная техника цифровой фотографии, позволяющая достичь большей глубины резкости. Многие фотографы не знают, как она работает и как ее использовать. Технические аспекты создания системы для фокусной стыковки могут показаться сложными, но сам процесс может быть довольно увлекательным.
Каждый год студенты по инструментам фотосъемки собирают простые системы для фокусной стыковки. Спустя несколько лет, один из преподавателей решил создать более продвинутую версию, способную перемещать платформу, управляемую шаговым мотором, на точные позиции, автоматически собирать серию изображений, а затем вручную комбинировать их в одно изображение с высокой глубиной резкости.
Фокусная стыковка включает захват нескольких изображений на разных фокусных точках и их объединение в едином четком изображении. Это особенно полезно в макрофотографии, где один снимок не может сохранить фокус на всей сцене.
Разработка собственной системы позволяет создать устройство, соответствующее индивидуальным требованиям. Например, автор системы использует объектив Canon MP-E 65mm f/2.8, который покрывает увеличение от 1x до 5x.
Параметры глубины резкости можно рассчитать, разрезая глубину пополам. Для увеличения 2x при f/2.8, фокусный стол должен передвигаться на 0.074 мм. Важно помнить, что результаты фокусной стыковки зависят от объекта — гладкие поверхности сливаются лучше, чем текстурированные.
Для сборки системы можно использовать готовые Rails, но также доступны варианты из старого оборудования, такого как автоматические пипеточные машины, которые содержат высококачественные компоненты.
Проект включает следующие ключевые элементы: 12-вольтовый шаговый двигатель от Adafruit, контроллер TB6600 или TB6660, который обеспечивает высокую гибкость, а также кнопки для управления процессом съемки.
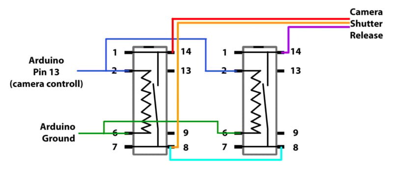
Система позволяет не только управлять движением стола, но и задействует светодиоды для индикации направления движения. Реализация программного обеспечения на Arduino делает систему доступной и простотой в управлении, что может быть любопытно для начинающих.
В заключение, фокусная стыковка является замечательным методом, позволяющим преодолеть ограничения глубины резкости, и отличается доступностью для как профессиональных работников, так и любителей.

